面向各大行業的檢測儀器方案
發表時間:2021-05-12 訪問量:





















鏈接: https://pan.baidu.com/s/1tOu6nw7nqPrhmESw8vDgOQ 提取碼: m6sf 復制這段內容后打開百度網盤手機App,操作更方便哦
膠粘事業部
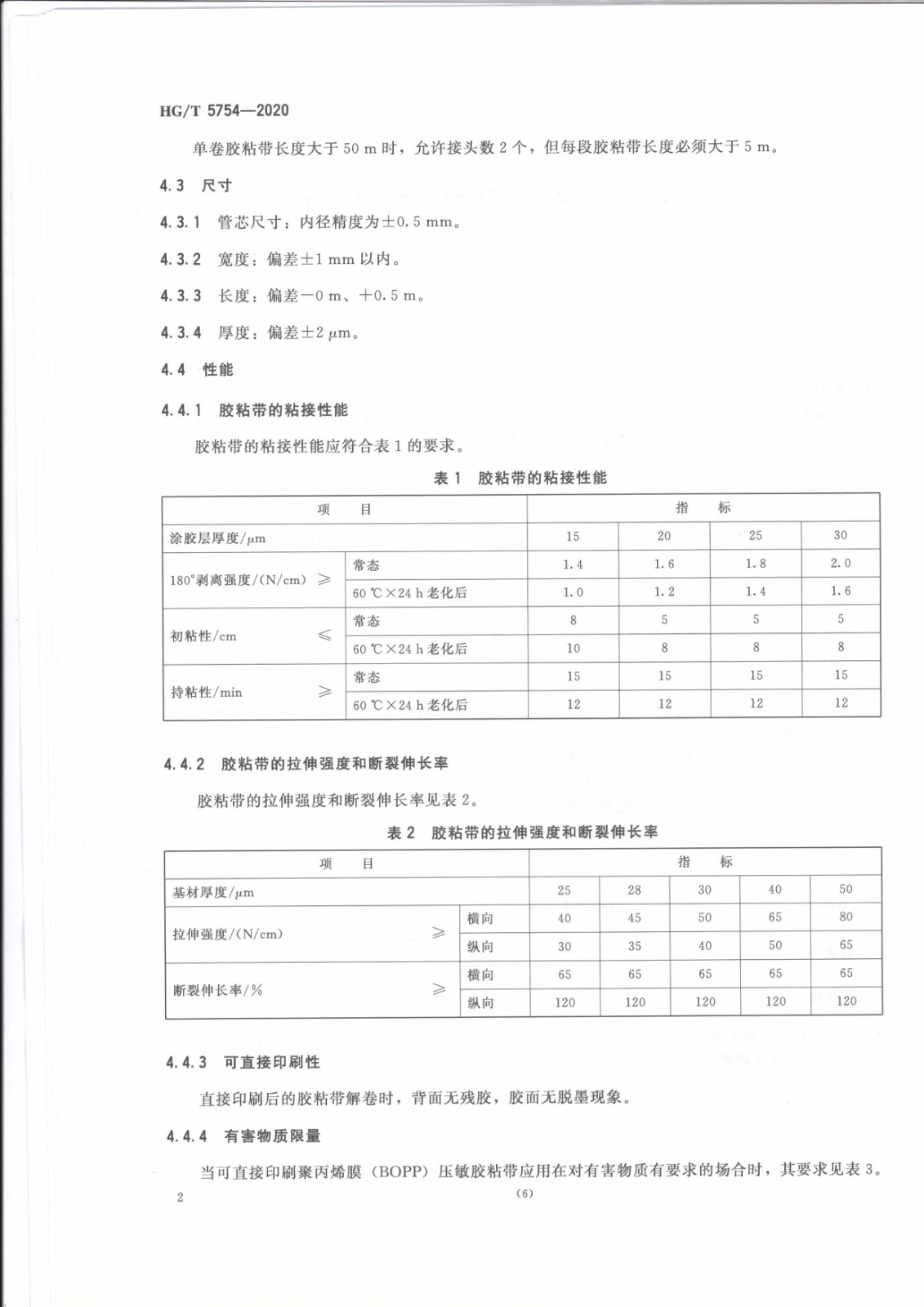
華南負責人:詹紅兵15118409165
華東負責人:張振13073353892
家具·箱包·塑料·包裝事業部
華南負責人:蔡婷婷13929477992
華東負責人:陳濤13790278052
郵箱:kejian@kejian-tech.com